The following drawing is of a table, roughly 30″ Tall by 23″ wide and 23″ deep, with drawer containing the following:

Overall Dimensions and Constructed Views

Main Parts Cut Sheet

Drawer Construction Cut Sheet
Utility Table Woodworking Plans – Complete Mechanical Drawing Set (PDF)
This downloadable Utility Table Plan Set provides a complete, shop-ready set of mechanical woodworking drawings designed for accurate layout, cutting, and assembly. The plans are professionally drafted and dimensioned to guide you from raw lumber to a finished, functional utility table.
The drawings are laid out using traditional mechanical drafting standards and are suitable for use in a home woodworking shop, school shop program, or small professional shop.
What’s Included
This plan set consists of three fully dimensioned sheets:
-
Sheet 1 – Assembly Drawings
-
Top, front, side, and bottom views
-
Drawer assembly views
-
Overall dimensions and construction notes
-
Shelf and brace placement details
-
-
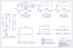
Sheet 2 – Body & Structural Components
-
Table top
-
Legs (quantity and dimensions clearly shown)
-
Body front, rear, and side panels
-
Shelf and brace details
-
Material thicknesses and tolerances
-
-
Sheet 3 – Drawer Components
-
Drawer front, sides, back, and bottom
-
Hole locations and joinery references
-
Accurate part sizing for smooth drawer operation
-
Each part is clearly labeled with exact dimensions, material thicknesses, and quantity requirements.
Design & Construction Details
-
Designed for common lumber and plywood sizes
-
Uses straightforward joinery suitable for hand tools or power tools
-
Tolerances noted for accurate fit
-
Clear notes for finishing and assembly
-
Ideal for shop furniture, utility use, or learning mechanical woodworking drawings
These plans focus on clarity, precision, and buildability, making them suitable for both beginners who want reliable guidance and experienced woodworkers who appreciate clean, no-nonsense drawings.
File Format & Delivery
-
Instant digital download
-
Delivered as a PDF file
-
Easily viewable on desktop, tablet, or phone
-
Printable at full scale for shop use
Skill Level
-
Beginner to intermediate
-
Basic woodworking tools required
-
No specialized machinery needed
Price – $5.00
Once I see your order, I’ll email you 2 PDF sheets. These can be taken to any Office Supply that has a wide carriage printer (24×36) like Office Max or Staples for you to print out as many copies as you wish. Please DO NOT resale these plans.